Layout-Designer 2.1 (Roßmöller)
Mit dem Layout Designer 2.1 von Roßmöller lassen sich elektronische Schaltungen erstellen, abbilden und ausdrucken.
Layout Designer (Westfalia)
Mit dem Layout Designer von Westfalia lassen sich elektronische Schaltungen entferfen. Das Modul enthält einen Resettaster und kann abgeschaltet werden.
Lazer MK II (Evesham Micros)
(nähere Beschreibung siehe Freeze Machine)
Lego Interface A (70455) (LEGO Group)
Das Lego Computer Interface A 70455 kam 1987 auf den Markt. Es wurde von Lego ausschließlich für den Schulunterricht entwickelt. Mit dem Interface lassen sich aufwendige Schaltungen programmieren. So können Motoren, Lichtschranken und Sensoren angesteuert werden. Auf dem C64/C128 kommt das Programm LEGO-Lines zum Einsatz. Das Interface konnte mit dem Lego Technik Bausatz 1090 und Software für 886,- DM erstanden werden.
Lightgun Defender 64 (Cheetah)
Die Cheetah Lightgun Defender 64 wurde von Commodore im C64 Light Fantastic Bundle eingesetzt.
Lightpen 2135 (ak tronic)
Der Lightpen 2135 von ak tronic für den Commodore 64/128 wurde mit einer Kurzanleitung und einer Software auf Diskette ausgeliefert.
Lightpen (Rex 9520/9631)
Der Lightpen (zu deutsch: Lichtgriffel oder Lichtstift) ist ein optisches Eingabegerät, dass einem Kugelschreiber ähnlich sieht. Es wird am C64 über den Controlport 1 angeschlossen. Hält man ihn auf den Bildschirm oder Monitor, erkennt ein entsprechendes Programm die Position des Stifts und kann sie in Bildschirmkoordinaten umrechnen. (Simons‘ Basic enthält Befehle für diesen Zweck.) Die Arbeit mit dem Lightpen war insbesondere bei Grafik- und Zeichenprogrammen nützlich, jedoch konnte sich der Lightpen nie gegenüber dem Joystick oder der Maus durchsetzen. Der Lightpen für Commodore-Computer wurde ab dem Jahr 1983 gebaut. GEOS enthält auch einen Treiber für den Lightpen, so dass dieser in den Grafikprogrammen GeoPaint und GeoCanvas eingesetzt werden kann. Quelle: Wikipedia
Version 2:
Lightpen B708 (KB Electronic)
Bei dem Lightpen B708 von KB-Electronic ist der Joystickport durchgeschliffen.
Lightpen RTO 9520 (Ratho-Hamburg)
Der Light-Pen 9520 von RTO wird am Controlport 1 betrieben und kann mit einem simplen Basicprogramm angesprochen werden.
Lightpen-Modul (1985)(Rex 9541)
Das Lightpen Modul 9541 von Rex-Datentechnik bietet die Software für alle am C64/C128 Joystickport betriebenen Lightpen. Die Funktionen Zeichnen, Lightpen justieren, Farbe einstellen, Bild laden und spechern stehen zur Verfügung. Zusätzlich besitzt das Modul einen Resettaster. Katalogpreis Rex Datentechnik 39,- DM.
Logic Analisator (01005034)(Dela Elektronik GmbH)
Der Logicanalisator von Dela besitzt 8 Datenkanäle, welche mit 8 MHz getaktet sind. Der Analisator bietet eine Auflösung von 8192 Taktzyklen. Die Meßwerte können auf Diskette gespeichert werden. Der Rex Logik-Analysator 9664 ist baugleich.
MACH 5 Cartridge (1985)(Access Software Incorporated)
Das Mach5 Steckmodul von Access Software kam 1985 auf den Markt und verringert die Ladezeit der 1541 Floppy deutlich. Als zusätzliches Feature besitzt das Modul 4 Kb RAM für Basic Programme.
MACH 5 Cartridge V2 (1985)(Access Software Incorporated)
MACH 71 Betriebssystem (Roßmöller)
Das MACH 71 Betriebssytem von Roßmöller wurde speziell für den Commodore 128 entwickelt. Es beschleunigt die CPM Prozesse und Ladezeiten und bietet eine F-Tasten Belegung.
Magic Desk I – Type And File (1983)(Commodore)
Das Magic Desk I Modul kam 1983 von Commodore auf den Markt. Es vereint verschiedene Büroanwendungen in einem Modul.
Magic Desk (2023)(Oliver W.)
Bei dem Magic Desk Modul von Oliver W. sind wie bei der Original Karte von Marko Šolajić 27C512, 27C010/020/040 und 29F010/020/040 möglich. Das Modul bietet eine Papyrusrolle zur Beschriftung inkl. Beleuchtung und einen Reset-Taster. Auf der Rückseite finden sich die Jumper-Stellungen.
Magic Formel (Grewe Computertechnik)
Die Magic Formel ist ein Steckmodul für den C64, das einen Schnell-Lader mit dem Faktor 11, einen Freezer, eine Hardcopyroutine, einen Maschinensprachemonitor, sowie ein Malprogramm, eine Textverarbeitung, Kopier-Tools, eine 80-Zeichen-Funktion, 50 neue BASIC- und Floppy-DOS-Erweiterungen, sowie eine Centronics-Unterstützung besitzt. Es wurde in Deutschland von der Firma Info-Technik-Müller in Recklinghausen vertrieben. Die letzte bekannte Version ist Magic Formel 2.0. Quelle: Wikipedia
Magic Voice Speech Module (Commodore)
Das Magic Voice Speech Module ist ein Steckmodul zur Sprachausgabe für den Commodore 64. Der BASIC-Wortschatz des C64 wird um die Befehle SAY, RATE, VOC und RDY erweitert. Mit SAY wird das Modul veranlasst, eines der 235 vordefinierten Wörter mit einer angenehmen weiblichen Stimme auszusprechen. Durch den eingebauten Sprachsynthesizer ist das Modul in der Lage, praktisch beliebige Wörter mit jeder erdenklichen Stimme wiederzugeben. Diese müssen jedoch vorher mittels Sprachanalyse erstellt und im passenden digitalen Format im Speicher des C64 vorliegen.
Marpes Lightgun / GN271 (Marpes)
Die Marpes Light Gun für den C64 ist ein Nachbau der Defender 64 Lightgun. Die Software Gun Collection enthält die folgenden Spiele auf einer Kassette : Time-Traveller, Gangster, Army Days, Blaze Out, Robocop, Combat School, Hyper Sport, Platoon und Rambo III.
Maxiprint (Scanntronik)
Merlin-Face IEC-Centronics Interface (Merlin)
Das Merlin-Face IEC-Centronics Interface für den C64, C116 und Plus4 erlaubt den Anschluss von Matrix Printern und Typenradmaschinen. Es ist keine zusätzliche Stromversorgung für das Interface nötig.
Micro-Maxi-Prommer (Rex 9555)
Mit dem Micro Maxi Prommer 9555 von REX-Datentechnik lassen sich die Eprom-Typen der 27er Reihe (2716-27256) programmieren. Rex Katalogpreis 149,- DM.
Micro-Maxi-Prommer II / Goliath-Eprommer (Rex 9655/9526)
Mit dem Micro Maxi Prommer 2 oder auch Goliath Eprommer von REX-Datentechnik lassen sich die Eprom-Typen der 27er Reihe (2716-27256) programmieren. Der Eprommer wurde auf der selben Platine wie der Goliath Eprommer hergestellt. Die Rex-Nr. 9555 ist nur auf dem Gehäusedeckel zu finden, auf der Rückseite der Platine findet sich die richtige Nummer (9655). Rex Katalogpreis 198,- DM.
Midi C-64 Interface (0609103)(Datel Elektronik)
Das Midi C64 Interface stellt die Verbindung zwischen dem C64 und einem Midi-fähigen Keyboard oder Synthesizer her. Das Interface verfügt über einen MIDI-IN, einen MIDI-OUT und einen MIDI-IN/THRU (über einen Schalter wählbar) Anschluss. Eine LED zeigt die Funktion an. ehem. VK-Preis 120,- DM
Midi Interface (Roßmöller)
Das MIdi Interface für den C64/C128 von Roßmöller war für einen Preis von 39,95 DM erhältlich und ist voll kompatibel mit C-Lab, Steinberg, Korg und Jellinghaus.
Version 2:
MMC2IEC (P.Sieg)
Das MMC2IEC ist ein Floppyersatz Speicherkartenlesegerät, welches am IEC-Bus angeschlossen wird, und für SD-MMC-Speicherkarten genutzt werden kann. Es basiert auf dem ATmega32 Mikrocontroller. Die Schaltpläne der Hardware und die Mirkocontroller Firmware sind als Open Source verfügbar.
MMC Replay (Individual Computers)
Das Steckmodul ist die Vereinung der beiden Module Retro Replay und MMC64, es bietet somit zunächst einmal sämtliche Funktionen dieser beiden Module an, welche sich ja auch zusammen betreiben liessen. Jedoch sind insbesondere die Funktionen des Retro Replay-Anteils stark erweitert worden, so sind z.B. jetzt 512 KB FlashROM vorhanden (RR: 128 KB) und 512 KB RAM (RR: 32 KB). Eine weitere wichtige Verbesserung ist die Tatsache, dass das Modul auch mit eingestecktem RR-Net Modul noch in ein normales C64 Cartridge-Gehäuse passt. Quelle: Wikipedia
Model 64 Sequencer (Sequential Circuits Inc.)
Der Model 64 Sequencer von Sequential Circuits Inc. kam 1984 für den Commodore 64/128 auf den Markt. Das Gerät bietet neben einer MIDI-Schnittstelle einen Sequencer, welcher aus einem ROM beim Einschalten des C64/C128 gestartet wird. An den Model 64 Sequencer kann zusätzlich eine Drum Box und ein Fußpedal angeschlossen werden.
Modem 300 / Model 1660 (1984)(Commodore)
Das Modem 300 Model 1660 von Commodore erreicht Geschwindigkeiten von 300 Baud. Über einen eingebauten Lautsprecher kann die Aktivität überwacht werden.
Modem 1200 / Model 1670 (1987)(Commodore)
Das Commodore Modem 1200 Model 1670 kam 1987 auf den Markt. Es bietet dem C64/C128 oder auch VC20 eine Übertragungsrate von 1200 baut. Dem Modem liegt eine kostenfreie Mitgliedschaft für das Commodore Netzwerk Q-link (The Commodore‘ Connection) für einen Monat bei. Gesteuert wird das Modem über die Software QuantumLink und Common Sense. Der Verkaufspreis lag bei 299,- DM.
Modem Model 6499 (Commodore/Celint)
Das Commodore Modem Model 6499 kam Ende der 80’er Jahre in Italien auf den Markt. Es wurde von der Firma Celint für Commodore hergestellt.
Modulportverlängerung (Rex 8010)
Die Modulportverlängerung 8010 von Rex Datentechnik verlängert den Port um ca. 60cm.
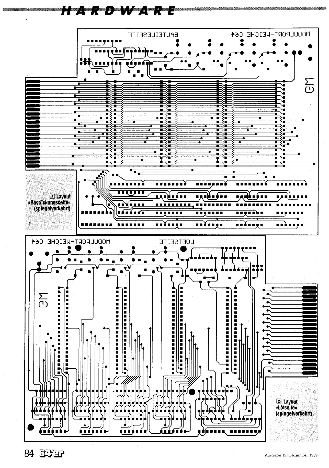
Modulportweiche (Kalawski)
Modulport-Weiche (64’er/Garnet Weiss Computer)
Die 4-fache Modulport Weiche für den Commodore 64/128 wurde 1989 als Hardware Lösung „Expansion-Port x4“ im 64’er Magazin vorgestellt. Die Firma Garnet Weiss Computer & Zubehör verkaufte diese Erweiterung auch als fertig aufgebaute Version.
Monitor-Modul 86 (Rex 9516)
Das Monitor Modul 86 (Rex9616) wurde 1986 von Rex Datentechnik auf den Markt gebracht. Das Modul enthält folgende Programme: Turbo Tape, Turbo Disk, DOS 5.1, Monitor $6000, Monitor $C000 und einen ID-Changer. Ehemaliger Verkaufspreis 49,95 DM.
Motorsteuerung (Rex 9850)
Über die Motorsteuerung 9850 von Rex Datentechnik können zwei Schritt-Motoren getrennt voneinander gesteuert werden.
MO-Universalkarte (Rex 9590)
Die MO-Universalkarte 9590 von Rex Datentechnik kann für 5 verschiedene Anwendungsgebiete genutzt werden. Z.B. als Betriebssystemplatine oder Modulplatine.
Mouse-Cheese (Neos)
Die Mouse Cheese Maus von Neos ist voll kompatibel zu Geos und wurde unter anderen mit einem Grafikprogramm ausgeliefert. Die Maus wurde auch in der limitierten Commodore C64C Edition Connoisseur’s Collection verwendet.
Multifunktionsmodul (Dela Elektronik GmbH)
Das Multifunktions-Modul von Dela beinhaltet einen Floppyspeeder, F-Tastenbelegung und ein spezielles DOS mit neuen Befehlen.
Muppet Learning Keys Keyboard (Koala Technologies)
Das Muppet Learning Keys Keyboard wurde 1984 von Sunburst Communications und Koala Technologies mit offizieller Genehmigung von Jim Henson hergestellt. Das Keyboard wird an den Joystickport des Commodore 64/128 angeschlossen und besitzt 83 Tasten. Die Software liegt auf Diskette bei. In den folgenden Jahren erschienen nur wenige Software-Titel für das Keyboard.
Music Composer (Commodore)
Der Music Composer wurde 1983 von Commodore auf Modul auf den Markt gebracht.
Music Expansion System (Commodore SFX)
Das Music Expansion System Keyboard hat 61 Tasten mit insgesamt 5 Oktaven. Es wurde zusammen mit der Software Sound Studio und dem Sound Expander FM Module (siehe unten) ausgeliefert. Das Keyboard wird mit einem Flachbandkabel direkt mit dem Sound Expander verbunden. Der Verkaufspreis in Deutschland lag bei rund 280,- DM.
Music Machine (1983)(Commodore)
Das Music Machine Modul von Commodore verwandelt die C64-Tastatur in einen Synthesizer mit verschiedenen Effekten.
Music Maker inkl. Keyboard (1984)(Commodore SFX)
Das Musik Maker Keyboard hat insgesamt 24 Tasten und wird einfach über die Tastatur des C64 gesteckt. Der Music Maker kann selbst von Neulingen bedient werden. Er bietet drei Stimmen (Spuren) welche mit neun verschiedenen Instrumenten bestückt werden können. Weiterhin können einige Spezialeffekte und vier unterschiedliche Waveforms verarbeitet werden. Der Verkauspreis lag bei 89,- DM in Deutschland.
Music Maker II inkl. Keyboard (1986)(Commodore SFX)
Die SFX Music Maker 2 Edition enthält die gleiche Hardware, die Software wurde jedoch gegen die Weiterentwicklung „Music Maker II“ ausgetauscht.
Music Maker Keyboard C64C-Version (1987)(Commodore SFX)
Auch für den Commodore C64C wurde 1987 eine spezielle Music Maker Keyboard Version von SFX auf den Markt gebracht.
Music Maker 128 Keyboard (1986)(Commodore SFX)
Für den Commodore 64 war das Music Maker Keyboard bereits ein großer Erfolg. Ab 1986 gab es das Keyboard auch für den Commodore 128. Für den C128 wurde die Music Maker 128 Software ins Leben gerufen.
Musik Digitalisierer (ak tronic 2134)
Der Musik Digitalisierer der Firma ak tronic hat die Bestellnummer 2134 und kann über den Joystickport am C64/C128 Töne in Mono digitalisieren.
Netz-Schaltinterface SI2 (Qualimex)
Das 2 Kanal Netz-Schaltinterface SI2 (2 channel power supply unit and switch) von Qualimex für den Commodore 64 hat die Bestell-Nummer 111016 und kann zwei Verbraucher bis 1000 Watt ansteuern. Das Interface lässt sich automatisch per Software oder per Befehl manuell steuern.
Nordic Power (1989) Action Cartridge Plus Version 7 (Data & Electronics Venvlo B.V.)
Das Nordic Power Modul (Action Cartridge Plus 7) von Data & Electronics Venlo B.V. ist ein Multifunktionsmodul mit folgenden Funktionen : Freezer, Disk Turbo, Tastenbelegung, Basic-Befehlserweiterung, Turbo Tape 249, Disketten-Kopierer, Packer, Sprite-Editor, Dia Show, Maschinensprache-Monitor und einige weitere. Zusätzlich besitzt das Modul einen Resettaster.
OC-118N Drive (Oceanic Electronics Corp.)(Rex 9900)
Das OC118 / OC118N Diskdrive von Oceanic Electronics Corp. ist ein Floppy-1541-Clone. Leider ist das Laufwerk nicht besonders kompatibel. Für die Oceanic Floppy wurde eine eigene Jiffy Dos Version angeboten. Vertrieben wurde dieses Laufwerk von diversen Firmen. Von Rex Datentechnik wurde das Laufwerk mit der internen Nummer 9900 vertrieben.
OC-118N Drive (Oceanic Electronics Corp.)(Version 2)
OpenC64Cart16K
Bei der OpenC64Cart16K handelt es sich um eine Standard 16Kbyte Eprom Karte.
Oskar 64 (Rex 9630)
Oskar 64 von Rex Datentechnik ist ein NF-Speicheroszilloskop mit 100KHz, 2 MOhm und 8 Kanal Logikanalysator.

































































































































































































































































